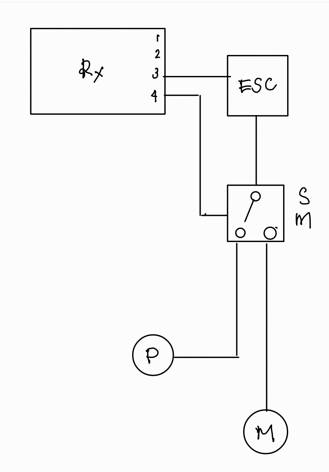
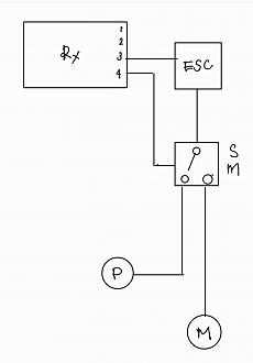
I have a Viper Sub 10 ESC! I have a geared pump motor and a drive (prop) motor 550 size brushed. I want to operate both motors from the one ESC. 99% of the time the drive motor would not be running the same time as the pump motor. I run the drive motor on channel 3 and the pump motor on channel 4! 

So it seems to me this would be a good viable way to go!? Any input would be appreciated! Thank you!
Rob
"Firemen can stand the heat"
							
						
					So it seems to me this would be a good viable way to go!? Any input would be appreciated! Thank you!
Rob
"Firemen can stand the heat"





Comment