Ken, what do you use to cut them?
Moebius Skipjack
Collapse
X
-
I'm having a strange problem. When everything is setup as you see in the diagram, CH5 and 6 does not work. Any servos connected there do not respond. If I unplug the splitter from CH4, CH5 and 6 work fine. So its something to do with the ballast pump/BLM combo. I moved everything over to another Futaba receiver, same problem. I tried a third receiver, this time a HITEC, same problem. In all situations CH1,2,3 work fine. Any ideas about what going on?
My next step is to just try the ballast pump without the BLM, then the BLM without the ballast pump.
Comment
-
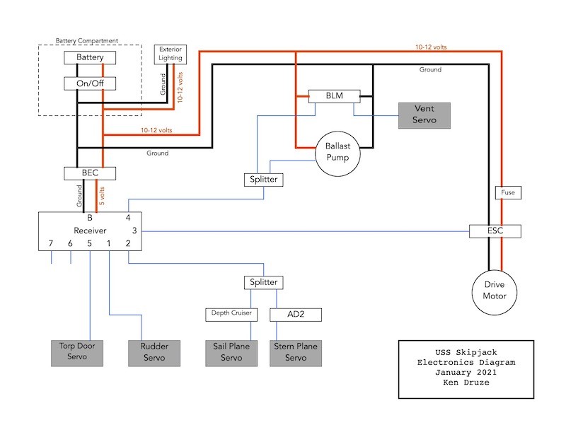
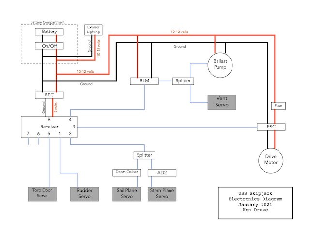
Move your splitter/Y-connector from the receiver and to the output side of the BLM. The BLM outputs then goes to the LPB and ballast sub-system servo. The ch-4 port of the receiver services only the input side of the BLM.
DavidWho is John Galt?Comment
-
Who is John Galt?Comment
-
-
Are you currently using the VEX transmitter, Ken?
The ch-4 routing looks good now.
Why are you working the sail planes and stern planes in parallel? It will work, but only within a rather tight speed-depth window. Pitch control gets funky out of that window. Recommend you put the stern planes on the 'flap' knob (ch-6), ch-2 for the sail planes. Most of your depth control will be with the sail planes. Most of the time you will be hands-off of the knob controlling the stern planes (like a big trim wheel); only use the stern planes for radical depth changes (such as going emergency deep when some ass-hole comes barreling in on you).Who is John Galt?Comment
-
I'm using the Hitec tramsitter for both the Marlin and the SJ. I have a VEX receiver in the Marlin. Using a Futaba receiver in the SJ. All on CH77. On this Hitec Ch5 is a toggle, using for the torpedo doors. Ch6 is a knob. You are right, I should have the stern planes on Ch6, like in the Marlin. I'll change that. BUT, using this Futaba revceiver I cannot get Ch5&6 to work. Something funky in the circuitry??
I do have an Airtronics transmitter/receiver on CH64 that I am not using. This one only has toggles for Ch5 & Ch6
I have an email out to Kevin as well to see if he can shed light on my problem.Comment
-
The custom splitter may not be helping you. If I used a standard splitter, I had issues with the signal getting lost, so I changed to a y cable with a booster in it. I may not be using the correct terminology for it. For me, that corrected the issue I was having. I do not know if it is the same for you.
Last edited by trout; 01-19-2021, 08:21 PM.If you can cut, drill, saw, hit things and swear a lot, you're well on the way to building a working model sub.Comment
-
Tom, whats a standard splitter?
Going back and forth with Kevin of KMc. He said the receiver might not have enough signal power for the BLM. He mentioned sending me a amplified device to go between the receiver and BLM. Still working on that. Alll to do with the board version of the BLM I have. First generation.Comment
-
Gotcha Tom. Like this... https://www.amazon.com/Hitec-Inc-Ser.../dp/B08233NLW1
Found this on Hobbyking, nice and small instead of the long y-cables.
https://hobbyking.com/en_us/servo-sp...emale-6cm.html
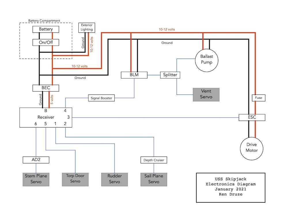
New diagram/layout....
Last edited by Ken_NJ; 01-20-2021, 08:17 AM.Comment
-
On advice from Kevin McLeod I bought this on Amazon... https://www.amazon.com/Hitec-Inc-Ser.../dp/B08233NLW1
Installed it between the receiver and BLM on channel 4, now all channels work like they should.
Comment
-
Getting close to finishing up setting up the SD. Question for you SJ guys. I’m not close to assembling the hulls yet so I don’t know about clearances yet. Is there enough room at the outside front bulkhead to plug in a waterproof cable and hose for the Depth Cruiser? Those are attached to the upper hull so I suspect I’ll have to plug those in while holding the upper hull, then attach the upper hull to the lower. The DC hose inlet will be the same as the vent tubes on the aft bulkhead.
If someone was going to install a torpedo assembly I suspect there should be plenty of room from the forward bulkhead to the very bow. I will not be installing torpedoes.Last edited by Ken_NJ; 01-25-2021, 03:50 PM.Comment



Comment