Closing out!
Driving RC Submarines
Collapse
X
-
How do you do that while, at the same time, inserting the on-board angle-keeper in the control loop?
DavidWho is John Galt? -
-
Here is an old V tail for RC aircraft illustration for the discussion. I agree Dave, incorporating a angle keeper maybe difficult? It maybe Digitial mixing in the Transmitter would be the best way. But if you can't afford a newfangled Digital like the FrSky Bob Sells, you are forced to go analog with the older legacy surface frequencies, but sure someone before must have found a way to incorporate the angle keeper too?
I plan to use in my Dolphin the digital X stern mixer feature in the second sub programing. I just need o find a 13-year-old now to program it for me...lol
Last edited by Albacore 569; 03-01-2024, 01:06 PM.Comment
-
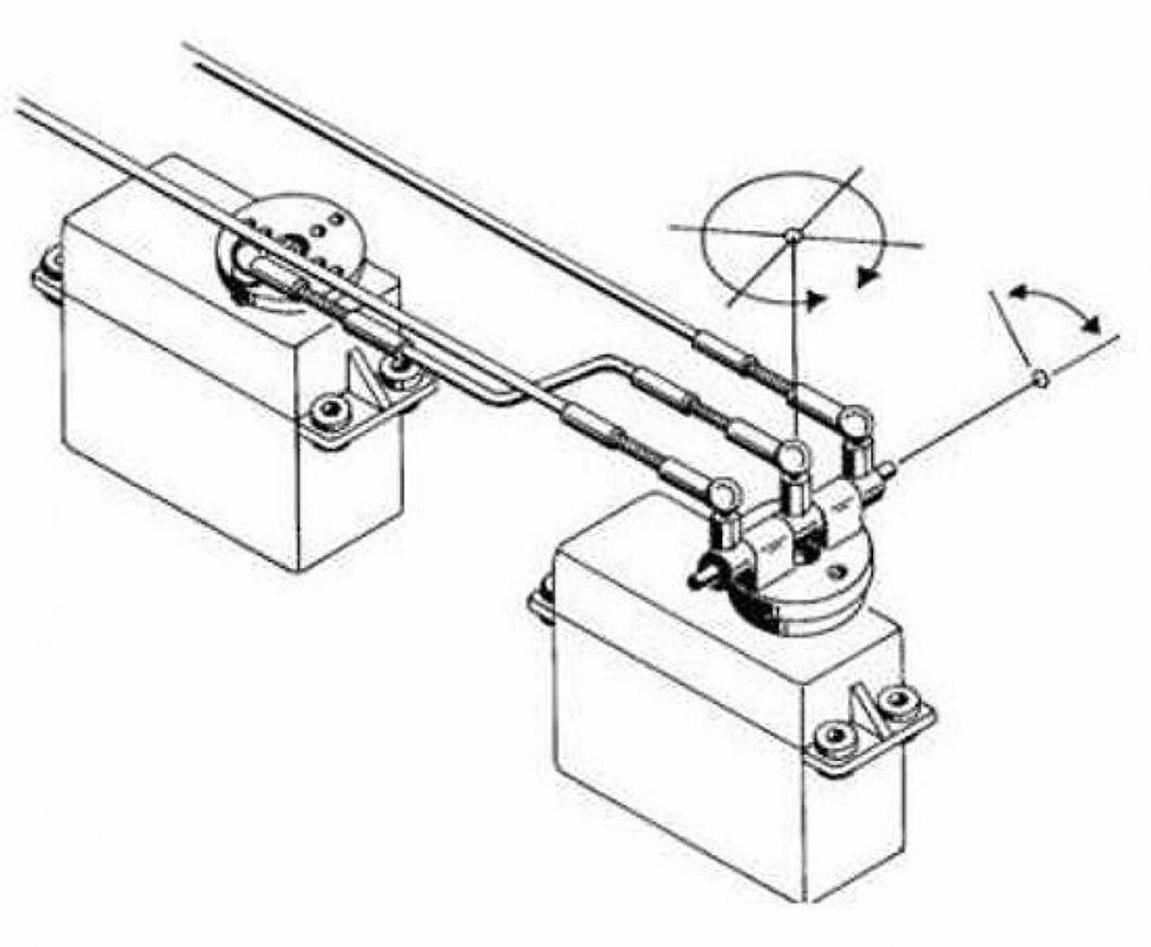
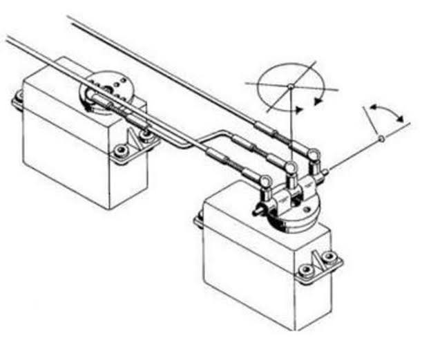
Here's an easier way to 'mix' the stern plane and rudder servos to swing an X or V tail:
Here is an old V tail for RC aircraft illustration for the discussion. I agree Dave, incorporating a angle keeper maybe difficult? It maybe Digitial mixing in the Transmitter would be the best way. But if you can't afford a newfangled Digital like the FrSky Bob Sells, you are forced to go analog with the older legacy surface frequencies, but sure someone before must have found a way t incorporate the angle keeper too?
I pln t use in my Dolphon the digital X stern mixer feature in the second sub programing. I just need o find a 13-year-old now to program it for me...lol
I'm pointing to the output 'rudder' servo that drives the two yokes of the X or V tail control surfaces. This servo is pushed back and forth by the 'stern plane' servo. That's how to mechanically mix the two channels into a single servo output. (Magnets are used to slave the external bell-crank to the internal servo arm).

The servo to the right foreground drives the ballast sub-system vent valve.

Simple as pie.

DavidWho is John Galt?Comment
-
Hardrock's 1/96 Soryu class uses an external mechanical mixer.
https://forum.rc-sub.com/forum/build...672-1-96-soryu
Rob,
I sent you a PM.Last edited by redboat219; 02-29-2024, 10:24 PM.Make it simple, make strong, make it work!Comment
-
Don't let it psych yourself out. Mentanicly it's the same as a cruciform arrangement rotated 45 degrees from a building point of view. Still has two servo rod connections. The digital mixing in the transmitter will do all the work perfectly.Hardrock's 1/96 Soryu class uses an external mechanical mixer.
https://forum.rc-sub.com/forum/build...672-1-96-soryu
Rob,
I sent you a PM.
The stern planes will be more efficient as they are all moving surfaces, and you will have 4 surfaces all working in combination to varying degrees. The USS Albacore AGSS 569 was first to demonstrate it. Rickover was opposed to using it, as he thought the cruciform arrangement was sufficient enough and didn't like unnecessary complexity, and later anything digital.
Rickover perhaps correctly stated computers (if computers were used in a X stern - even if a mechanical mixer worked as well already in Albacore) were good at alerting you to a problem perhaps but still can't fix a mechanical casualty.
The Swedish Navy (great engineers not swayed by technological bias seeing a good solution when they see one) where the first to use an X stern in a operational submarine (Sjoorman class). The Swedish loved the x stern and was very maneuverable and proved better in shallow confined waters like the Baltic. The end of the Cold war and a shift to littoral operations created a operational climate lending even more favorably to using an X stern.
Sweden, Netherlands, Australia (using Swedish designs in the Collin class), Germany, Japan, Israel (using a German design) , France, and now the Columbia SSBN design in the USN have adopted the design concept.Last edited by Albacore 569; 03-03-2024, 05:15 PM.Comment
-
We elites are but a fount of the waters that flowed since creation. Just passing it along, pal. We ALL have that obligation... to pass it on.Originally posted by rwtdiver
Thanks again for all the great advice I have received.
Rob
"Firemen can stand the heat."
David
Poet and Don't Know ItWho is John Galt?Comment
-
Don't let it psych yourself out. Mentanicly it's the same as a cruciform arrangement rotated 45 degrees building. Still has two serve rod connections. The digital mixing in the transmitter will do the work perfectly. The stern planes will be more efficient as they are all moving surfaces, and you will have 4 surfaces working in combination. The USS Albacore AGSS 569 was firt to demonstrate it. Rickover ws opposed to using it, as he thought the cruciform arrangement was sufficient and didn't like unnecessary complexity, and later anything digital. Rickover perhaps correctly stated computer (if computers were used in a X stern - even if a mechanical mixer worked as well already in Albacore) was good at alerting you to a problem perhaps but can't fix a mechanical casualty.Hardrock's 1/96 Soryu class uses an external mechanical mixer.
https://forum.rc-sub.com/forum/build...672-1-96-soryu
Rob,
I sent you a PM.
The Swedish Navy (great engineers not swayed by technological bias seeing a good solution when they see one) where the first to use an X stern in a operational submarine. The Swedish loved the x stern and was very maneuverable and very helpful in shallow confined waters. The end of the Cold war and a shift to littoral operations landed even more favorably to using an X stern.
Sweden, Netherlands, Australia (using Swedish designs in th e Collin class), Germany, Norway, Japan, Israel (using a German design) , and now the Columbia SSBN in the USN.Comment
-
will.it.measure.and.correct.for.pitch.angle.offset .from.the.transmitter???
(the mixing HAS to happen aboard the model if an angle-keeper is to be employed in the loop).
But, that's just me whistling in the dark, what the **** do I know, anyway?
DavidWho is John Galt?Comment




Comment