Neptune submarine light system and new improved conning tower

Collapse
X
 
  • Time
  • Show
Clear All
new posts
  • deepseadiver
    Commander

    • Aug 2008
    • 296

    #16
    no problem David,

    I will do some research
    Put your mind to it. If there's a will there's a way!

    Comment

    • H2Ohaze
      Lieutenant Commander
      • Jul 2011
      • 117

      #17
      I already reply in your "CCD Camera thread " that Thunder Tiger part # PJ 6181 is the hardware kit that goes into the top port. It works well and is watertight whether cable is connected to outside or not, thank to a screw on cap in the kit which seals off the connector on outside when cable not attached.

      Then the 50 foot cable to shore is # AT0320

      The camera itself is # AQ1285

      Polyphemus receiver screen #1701


      All available at Tower Hobbies. Just punch in the part numbers in the search field, no prob. Get some PJ 6140 arms, they need replacing now and then.

      You can't transmit wirelessly through water on the allowed frequencies, it won't penetrate. Some people rig up buoys floating on the surface at the end of 3-10 foot cable to the sub.

      Comment

      • deepseadiver
        Commander

        • Aug 2008
        • 296

        #18
        here is a video of the search lights strobe and navigation lights in action at night bare with me i was trying to steer the sub and video tape all at once. It was not fun just wanted to give a idea of how they look

        my next video will be a underwater video of it running which i am getting a camera man to record for me.

        JIm



        Put your mind to it. If there's a will there's a way!

        Comment

        • wolle991
          Ensign
          • Apr 2011
          • 3

          #19
          Hello Forum Members
          Here are my modifications made in Germany











          Waiting of your replay do you like it ?
          The cave will be build in the next month also the <<<<<<<<lights

          Wolfgang

          Comment

          • deepseadiver
            Commander

            • Aug 2008
            • 296

            #20
            looks nice i like the magnet on and off switch good idea
            the silver tubes with lights are cool
            Jim
            Put your mind to it. If there's a will there's a way!

            Comment

            • trout
              Admiral

              • Jul 2011
              • 3670

              #21
              Looks great! How did you do it?
              If you can cut, drill, saw, hit things and swear a lot, you're well on the way to building a working model sub.

              Comment

              • wolle991
                Ensign
                • Apr 2011
                • 3

                #22
                Hi trout,
                are you asking for the mag. Switch ?
                One Clip is Missing , here are a Link to all of them in our German Forum.

                Jim your conning tower looks good ,I think I will build the same.
                For none German speaking people look here

                I hope I do nothing wrong by posting the Links

                Comment

                • wolle991
                  Ensign
                  • Apr 2011
                  • 3

                  #23
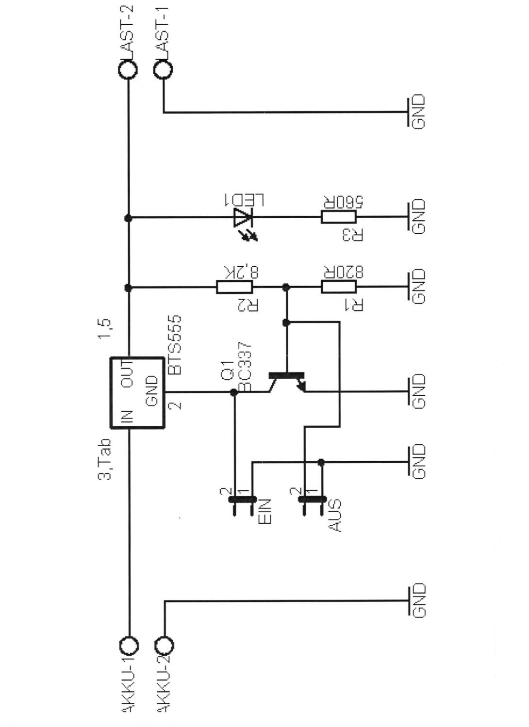
                  Click image for larger version

Name:	Papa_1 (2).jpg
Views:	1
Size:	70.7 KB
ID:	66318The mag. Switch
                  It is build with a electronic Switch called BTS55 and a bit electronic.
                  Last edited by wolle991; 01-30-2012, 01:42 PM.

                  Comment

                  • deepseadiver
                    Commander

                    • Aug 2008
                    • 296

                    #24
                    it’s that time my son is all used up on playing with his Neptune submarine keep in mind he is handicapped his patience can run out sometimes he sure could control it beautifully better then i could. The sub works great but knows he wants to sell it and wants to get a speed boat instead so it’s up for sale as you can see from past photos. I place $300 of a light system and strobe system on it.
                    Each light system is remote controlled individually. I also made that conning tower which i think looks better then the original one. Between the time it took to make the tower the coast of the lights and the submarine im selling for $ 450 or best offer. I have $800 invested in it.

                    Jim
                    Last edited by deepseadiver; 04-20-2012, 04:29 PM.
                    Put your mind to it. If there's a will there's a way!

                    Comment

                    Working...