This question is probably intended for HeWhoCannotBeShamed but anybody's free to answer and thank you for your time.
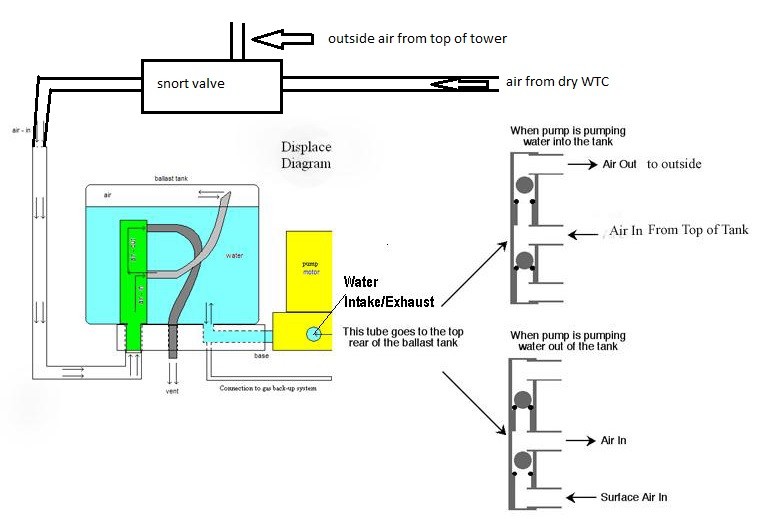
While scrounging through my shipyard misc. boxes I came across one of Skip Asay's "T" valves (see the attached picture). I even ran one of these subs - a Marlin, I think - many, many moons ago. It was not sophisticated but it was simple -KISS all the way- and fun. The only problem with it was that it didn't work too well if you couldn't drive the sub tower, and thus the air intake, above the water line.
Before you get your knickers in a twist, let me explain the word "problem". It was not a problem with Skip's design which I view as genius but only a problem for me and my intentions. OK?
But then I thought what if I attach one of DM's SNORT valve to the air intake so that I can more rapidly achieve an increased positive buoyancy driving the boat to the surface quicker where the air intake can actually take in air - what a concept. I wouldn't have to suck much air from the dry sections of the WTC to achieve my goal - I think - just enough to add some positive buoyancy to a sub that is already slightly - and I do mean slightly - positively buoyant.
With asbestos girded loins,
Captain Cantankerous
While scrounging through my shipyard misc. boxes I came across one of Skip Asay's "T" valves (see the attached picture). I even ran one of these subs - a Marlin, I think - many, many moons ago. It was not sophisticated but it was simple -KISS all the way- and fun. The only problem with it was that it didn't work too well if you couldn't drive the sub tower, and thus the air intake, above the water line.
Before you get your knickers in a twist, let me explain the word "problem". It was not a problem with Skip's design which I view as genius but only a problem for me and my intentions. OK?
But then I thought what if I attach one of DM's SNORT valve to the air intake so that I can more rapidly achieve an increased positive buoyancy driving the boat to the surface quicker where the air intake can actually take in air - what a concept. I wouldn't have to suck much air from the dry sections of the WTC to achieve my goal - I think - just enough to add some positive buoyancy to a sub that is already slightly - and I do mean slightly - positively buoyant.
With asbestos girded loins,
Captain Cantankerous


Comment