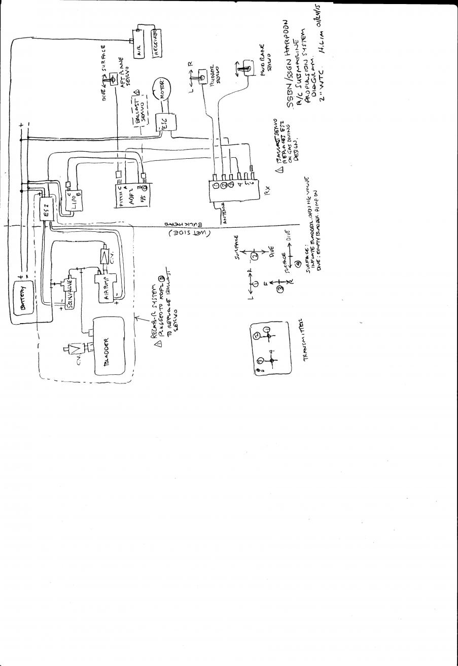
OK, maybe some one can help me what's going on my subs propulsion system, a RECAB-R. see attached diagram. this system used to work until one day I decided to clean up my workmanship ( check the wire joints, and fix loose parts).
the air pump runs with out any command from the transmitter. as soon as the system is turned on, it runs. the command should be move the ch 4 on the transmitter to the right to activate it to compress air from the bladder to dive. the command to open the N/C solenoid valve is by moving the lever on ch 4 to the left to release the compressed air to the bladder inflating it for buoyancy (to surface). but the system is not responding to this command. to check the solenoid valve, I connected to a direct power source. it worked therefore eliminating question on it's condition. since the pump is running, the ES2 is getting power. just that it is not doing what it's supposed to do. I checked my ADF2 set up. nothing wrong came up. one thing I could not redo is to debug the ES2 altho I have done it already. it is not responding to the debugging protocol.
I brought in new parts:ADF2, ES2, and LIPO Guard. calibrated ADF2 successfully. ES2 do not respond to the debugging protocol. so I tried using these new parts with still the same out come. I tried one new part at a time and finally all new parts.
summarizing, Air Pump runs with out command, N/C Solenoid Valve will not open to command. help! I am going nuts.
note, all the parts are from the British Fastener catalog Sub Driver except the Solenoid Valve.
the air pump runs with out any command from the transmitter. as soon as the system is turned on, it runs. the command should be move the ch 4 on the transmitter to the right to activate it to compress air from the bladder to dive. the command to open the N/C solenoid valve is by moving the lever on ch 4 to the left to release the compressed air to the bladder inflating it for buoyancy (to surface). but the system is not responding to this command. to check the solenoid valve, I connected to a direct power source. it worked therefore eliminating question on it's condition. since the pump is running, the ES2 is getting power. just that it is not doing what it's supposed to do. I checked my ADF2 set up. nothing wrong came up. one thing I could not redo is to debug the ES2 altho I have done it already. it is not responding to the debugging protocol.
I brought in new parts:ADF2, ES2, and LIPO Guard. calibrated ADF2 successfully. ES2 do not respond to the debugging protocol. so I tried using these new parts with still the same out come. I tried one new part at a time and finally all new parts.
summarizing, Air Pump runs with out command, N/C Solenoid Valve will not open to command. help! I am going nuts.
note, all the parts are from the British Fastener catalog Sub Driver except the Solenoid Valve.



Comment